Cart
Looks like your shopping cart is empty...



For Turnkeys and Custom Applications, we can help!
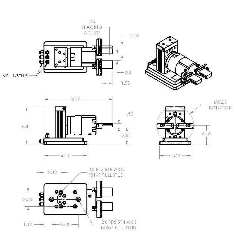
| Technical Specs | |
|---|---|
| Pressure Range | 0-175 psi |
| Angle Adjustment | 0-190° |
| Part Size Grip Range | 0" - 4.125" |
| Recommended Part Weight | <10 lbs |
| Gripper Stroke | 12 mm |
Our CNC Part Flipper grips and rotates your part 180 degrees, allowing three-axis machines to complete two operations in one cycle
The QuickFlip180™ Station is a pneumatic part flipper designed from the ground up to make the flipping of your CNC Machined Components between Op1 and Op2 quick and automatic. It is the only pre-built solution on the market designed specifically for two-operation CNC automation. This system is used widely with various Gripper and Robotic Machine-Tending solutions.
Unlike other part-flipping solutions that you must piece together yourself, the QuickFlip180™ Pneumatic Flip Station comes as a complete kit ready to help you automate. The system consists of an anodized/powder-coated base, a rotary actuator, and a GimGripper with both standard and specialty Gripper Fingers. The GimGripper comes packaged in our signature Blue Hardcase.
Also unique to the QuickFlip180™ is its approach to grabbing components. Unlike other solutions that use rubber gripping pads to more securely grip parts, the QuickFlip180™ utilizes its specialty FlipFingers that have grooves that receive the “top-hat” left on the part after Op1 Machining to provide a universal and secure grip. This eliminates the requirement to make custom Gripper Fingers for every component to be flipped.
The system is designed specifically to allow customers to remove the pre-configured base and install onto their own fixturing or base if desired.
Need a complete solution including workholding? Our GripFlipGrip Two Op Automation Module combines the QuickFlip180™ Station with two of our AutoVises for one convenient automation system for integration with Gripper or Robotic automation.
A CNC Flip Station, also known as CNC Part Flipper, Part Flipping Station, or Second Op Flip Station is an automation tool used in CNC Machine Tending Automation System to automatically reorient the component, typically gripping the part firmly, turning it over 180°, and then releasing the part in its new orientation.
For CNC Machine Tending Automation, the addition of a CNC Flip Station allows a system that could otherwise only automatically finish the first operation of a multi-op part to instead finish 100% completed parts
The Gimbel Automation CNC Flip Station is currently being used for all kinds of different automation applications, including conveyors lines, industrial robotic applications, and many more. Fundamentally, we design all of our products with CNC Machine Tending as the primary use-case, but we’ve seen the Flip Station used in a wide variety of applications.
The CNC Flip Station is actuated pneumatically. Two independent 5-Channel (2-Way) Solenoids are required to actuate the Flip Station. The vast majority of our customers opt to use a single Instant Solenoid Kit (that includes two 5-Channel Solenoids) to quickly and easily implement the Flip Station with their machinery.
Our CNC Flip Station is incredibly flexible, and can be set to any rotation actuation angle of 0° ****to 190°. We have some customers who are actually using Part Flippers to eliminate the need of fourth axes on their equipment, typically by setting the Flip Station actuation to 90°. By doing this, the part can be reoriented and automatically reloaded into fixtures using our CNC Spindle Grippers or CNC Vacuum Grabbers to machine up to six different operations automatically without the need to manually reload components.
We have made numerous custom CNC Flip Stations for specific customer applications. Contact us today to book a call and discuss with one of our Applications Engineers! We also offer complete Turnkey Automation Services across Southern California, and have a network of Systems Integrators and Distributors across the United States.
This primarily depends on the part weight, part shape, gripping fingers, and input air pressure. By doubling the input pressure to the Gripper in the Flip Station, for instance, you can double the gripping force on the component. We sell a Pneumatic Pressure Booster for this very application.
Typically, you can easily flip parts under 5 pounds using the standard configuration without needing customer Gripper Fingers. Custom gripper Fingers can allow the standard unit to flip up to 15 pound part with the right design.